LIVRAISON & |
ESPACE DE COMMANDE PERSONNALISÉ |
BESOIN D'UN CONSEIL |
PAIEMENTS SÉCURISÉS |
Cartouches ISO WALTER PSSNR12CA-12

Référence web : I994-B687664
Référence fabricant : PSSNR12CA-12
Référence fabricant : PSSNR12CA-12
Cartouches ISO
Afin de pouvoir commander, vous devez vous connecter ou créer un compte.
Se connecter pour commander
Description
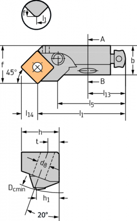
Cartouches ISO PSSN...CA • métrique • Droite • κ=45° • Dc(min)=50mm
Détails techniques
| ee1afc2857a59f9d259f3209ae75ba87_mm | 15,5 |
| Diamètre de liaison d8 (mm) | 7 |
| Diamètre de coupe minimal Dc min (mm) | 50 |
| Hauteur h (mm) | 20 |
| Hauteur du pic h1 (mm) | 12 |
| Cote a sur la longueur fonctionnelle l14 (mm) | 8,3 |
| Longueur de serrage l5 (mm) | 30 |
| Écartement des attachements l13 (mm) | 20 |
| Hauteur du trou de fixation t (mm) | 6 |
| Longueur totale l1 (mm) | 38 |
| Désignation d'outil Désignation | PSSNR12CA-12 |
| Plaquettes amovibles possibles Type (mm) | SN .. 1204 .. |
| Largeur fonctionnelle f (mm) | 20 |
| Masse (poids) D7 (kg) | 0,065 |
| Angle d'attaque E1 (°) | 45 |
| Angle de coin plaquette de coupe E3 (°) | 90 |
| Angle d'arête orthogonal E4 (°) | 0 |
| Direction de coupe F1 | R |
| Forme de porte-outil F2 | G |
| Genre de montage de plaquette F5 | P |
| Longueur vis de réglage G10 (mm) | 8 |
| distance de l'alésage 1 G4 (mm) | 20 |
| Diamètre d'alésage de fixation G6 (mm) | 7 |
| ce6ea40bd7e7217e7bc6066100154e0e_° | 20 |
| Hauteur d'alésage de fixation G8 (mm) | 6 |
| Version de l'outil (code du matériau du corps de l'outil) H4 | S |
| Norme J1 | - |
| Identification du numéro de commande J21 | PSSNR12CA-12 |
| Identifiant de l'entreprise J3 | W |
| Code de connexion, plaquette de coupe J41 | ISO$SN1204002****** |
| Désignation de la plaquette de coupe J42 | SNMG 432 |
| Code de connexion, du côté de la machine J6 | KKH01C012R$$$$ |
| Puce J7 | 0 |
| Procédé d'usinage J8 | DDI |
| Numéro standard Caractéristique NSM | DIN4000-175 |
Produits similaires





