LIVRAISON & |
ESPACE DE COMMANDE PERSONNALISÉ |
BESOIN D'UN CONSEIL |
PAIEMENTS SÉCURISÉS |
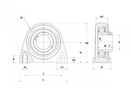
Palier auto aligneur USPAE212N
Référence web : D250-B290738
Référence fabricant : USPAE212N
Référence fabricant : USPAE212N
corps en fonte, roulement à billes à insert radial avec vis de fixation, joint à une lèvre
Afin de pouvoir commander, vous devez vous connecter ou créer un compte.
Se connecter pour commander
Détails techniques
| Diamètre intérieur (mm) | 60,00 |
| Diamètre exterieur (mm) | 110,00 |
| largeur (mm) | 53,70 |
| Pouce/Métrique | Métrique |
| Jeux radial | C3 |
| Étanchéité | 2 joints |
| Description étanchéité | 2 joints |
| Matière des bagues | Acier |
| Série | USPAE200 |
| Matière de la cage | Cage en acier |
| Type d'alésage | Cylindrique |
| Collerette sur la bague extérieure | Oui |
| Rainure pour la bague d'arrêt | Oui |
| Nombre de colonnes | 1 |
| Norme | ISO 3228 |
| forme du corps de palier | Palier à semelle |
| nombre de trous de fixation | 2 |
| type de fixation à l'arbre | Vis |
| matière du corps de palier | Fonte |
| description du jeu radial | Jeu plus grand que que le jeu normal |
| Type de produit | Palier auto aligneur |
| largeur bague ext. mm | 24,00 |
| Regraissable | Non |
| Longueur du corp de palier (mm) | 150 |
| Hauteur du corp de palier (mm) | 140 |
| Largeur du corp de palier (mm) | 60 |
| Distance entre les points de fixation (mm) | 118 |
| Distance entre la base du logement et le centre du roulement (mm) | 69,9 |
| Capacité statique (kN) | 32,800 |
| Capacité dynamique (kN) | 52,500 |
Produits similaires
| Jeux radial | Étanchéité | Description étanchéité | Matière des bagues | Série | Matière de la cage | Type d'alésage | forme du corps de palier | nombre de trous de fixation | type de fixation à l'arbre | |
|---|---|---|---|---|---|---|---|---|---|---|
Palier auto aligneur SESP205COE
Référence web : D250-H912322
|
C3 | 2 joints | 2 joints | Acier inoxydable | SESP200 | Cage en acier | Cylindrique | Palier à semelle | 2 | Bague excentrique |
Palier auto aligneur SESP205N
Référence web : D250-H912323
|
C3 | 2 joints | 2 joints | Acier inoxydable | SESP200 | Cage en acier | Cylindrique | Palier à semelle | 2 | Bague excentrique |
Palier auto aligneur SESP206COE
Référence web : D250-H912327
|
C3 | 2 joints | 2 joints | Acier inoxydable | SESP200 | Cage en acier | Cylindrique | Palier à semelle | 2 | Bague excentrique |
Palier auto aligneur SESP206N
Référence web : D250-H912328
|
C3 | 2 joints | 2 joints | Acier inoxydable | SESP200 | Cage en acier | Cylindrique | Palier à semelle | 2 | Bague excentrique |
Palier auto aligneur SESP207COE
Référence web : D250-H912333
|
C3 | 2 joints | 2 joints | Acier inoxydable | SESP200 | Cage en acier | Cylindrique | Palier à semelle | 2 | Bague excentrique |
Palier auto aligneur SESP207N
Référence web : D250-H912334
|
C3 | 2 joints | 2 joints | Acier inoxydable | SESP200 | Cage en acier | Cylindrique | Palier à semelle | 2 | Bague excentrique |
Palier auto aligneur SESP208COE
Référence web : D250-H912337
|
C3 | 2 joints | 2 joints | Acier inoxydable | SESP200 | Cage en acier | Cylindrique | Palier à semelle | 2 | Bague excentrique |
Palier auto aligneur SESP208N
Référence web : D250-H912338
|
C3 | 2 joints | 2 joints | Acier inoxydable | SESP200 | Cage en acier | Cylindrique | Palier à semelle | 2 | Bague excentrique |
Palier auto aligneur SESP209CCE
Référence web : D250-H912342
|
C3 | 2 joints | 2 joints | Acier inoxydable | SESP200 | Cage en acier | Cylindrique | Palier à semelle | 2 | Bague excentrique |
Palier auto aligneur SESP209COE
Référence web : D250-H912343
|
C3 | 2 joints | 2 joints | Acier inoxydable | SESP200 | Cage en acier | Cylindrique | Palier à semelle | 2 | Bague excentrique |







