LIVRAISON & |
ESPACE DE COMMANDE PERSONNALISÉ |
BESOIN D'UN CONSEIL |
PAIEMENTS SÉCURISÉS |
Plateau à souder diamètre 95 PS2012
Référence : 240300048
Référence web : A922-A480946
Référence fabricant : PS2012
Référence web : A922-A480946
Référence fabricant : PS2012
Plateau à souder diamètre 95
Afin de pouvoir commander, vous devez vous connecter ou créer un compte.
Se connecter pour commander
Description
Plateaux en acier C45S disposant d'un impact de fixation pour moyeu amovible. Conçus pour être soudés sur des tambours, rouleaux, disques, poulies, etc. Le positionnement se fait aisément grâce au diamètre de centrage et à l'épaulement.
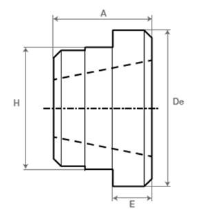
Détails techniques
| Moyeu | 2012 |
| E | 12 |
| F (mm) | 90 |
| A (mm) | 32 |
| H (mm) | 12 |
| De | 95 |
Produits similaires





