LIVRAISON & |
ESPACE DE COMMANDE PERSONNALISÉ |
BESOIN D'UN CONSEIL |
PAIEMENTS SÉCURISÉS |
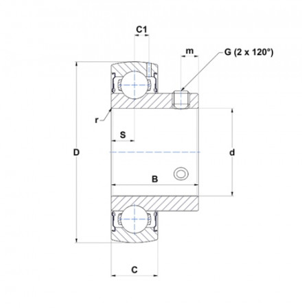
Roulement à insert pour palier auto aligneur US203G2
Référence : 240440093
Référence web : E816-A068636
Référence fabricant : US203G2
Référence web : E816-A068636
Référence fabricant : US203G2
diamètre extérieur sphérique, fixation par vis de fixation, joint à une lèvre
Afin de pouvoir commander, vous devez vous connecter ou créer un compte.
Se connecter pour commander
Détails techniques
| Diamètre intérieur (mm) | 17,00 |
| Diamètre exterieur (mm) | 40,00 |
| largeur (mm) | 22,00 |
| Pouce/Métrique | Métrique |
| Jeux radial | C3 |
| Étanchéité | 2 joints |
| Description étanchéité | 2 joints |
| Matière des bagues | Acier |
| Série | US200 |
| Matière de la cage | Cage en acier |
| Type d'alésage | Cylindrique |
| Collerette sur la bague extérieure | Oui |
| Rainure pour la bague d'arrêt | Oui |
| Nombre de colonnes | 1 |
| Norme | ISO 2264 |
| type de fixation à l'arbre | Vis |
| description du jeu radial | Jeu plus grand que que le jeu normal |
| Type de produit | Roulement à insert pour palier auto aligneur |
| largeur bague ext. mm | 12,00 |
| Regraissable | Non |
| Capacité statique (kN) | 4,780 |
| Capacité dynamique (kN) | 9,550 |
Produits similaires
| Diamètre intérieur (mm) | Diamètre exterieur (mm) | Pouce/Métrique | largeur (mm) | largeur bague ext. mm | Série | Étanchéité | Description étanchéité | Jeux radial | description du jeu radial | Type de produit | Matière des bagues | Matière de la cage | Type d'alésage | Norme | Vitesse limite (tr/min) | type de fixation à l'arbre | Regraissable | Capacité statique (kN) | Capacité dynamique (kN) | |
|---|---|---|---|---|---|---|---|---|---|---|---|---|---|---|---|---|---|---|---|---|
Roulement insert pour palier auto aligneur UKS209LN
Référence web : D250-B285377
|
Métrique | UKS200 | 2 joints | 2 joints | CN | Jeu radial normal | Roulement à insert pour palier auto aligneur | Acier | Cage en tôle rivetée (jr) | Conique 1:12 | ISO 2264 | Manchon de serrage | Non | |||||||
Roulement insert pour palier auto aligneur UKS210LN
Référence web : D250-B285378
|
Métrique | UKS200 | 2 joints | 2 joints | CN | Jeu radial normal | Roulement à insert pour palier auto aligneur | Acier | Cage en tôle rivetée (jr) | Conique 1:12 | ISO 2264 | Manchon de serrage | Non | |||||||
Roulement insert pour palier auto aligneur CES204-12
Référence web : D250-H910696
|
19,05 | 47,00 | Métrique | 31 | 14,00 | CES200 | 2 joints | 2 joints | C3 | Jeu plus grand que que le jeu normal | Roulement à insert pour palier auto aligneur | Acier | Cage en acier | Cylindrique | ISO 2264 | Bague excentrique | Non | 6,650 | 12,800 | |
Roulement insert pour palier auto aligneur CES205-14
Référence web : D250-H910698
|
22,23 | 52,00 | Métrique | 31 | 15,00 | CES200 | 2 joints | 2 joints | C3 | Jeu plus grand que que le jeu normal | Roulement à insert pour palier auto aligneur | Acier | Cage en acier | Cylindrique | ISO 2264 | Bague excentrique | Non | 7,880 | 14,000 | |
Roulement insert pour palier auto aligneur CES205-16
Référence web : D250-A187389
Référence : 240440524 |
25,40 | 52,00 | Métrique | 31 | 15,00 | CES200 | 2 joints | 2 joints | C3 | Jeu plus grand que que le jeu normal | Roulement à insert pour palier auto aligneur | Acier | Cage en acier | Cylindrique | ISO 2264 | Bague excentrique | Non | 7,880 | 14,000 | |
Roulement insert pour palier auto aligneur CES206-19
Référence web : D250-B284657
|
30,16 | 62,00 | Métrique | 35,7 | 16,00 | CES200 | 2 joints | 2 joints | C3 | Jeu plus grand que que le jeu normal | Roulement à insert pour palier auto aligneur | Acier | Cage en acier | Cylindrique | ISO 2264 | Bague excentrique | Non | 11,200 | 19,500 | |
Roulement insert pour palier auto aligneur CES207-23
Référence web : D250-B284661
|
36,51 | 72,00 | Métrique | 38,9 | 17,00 | CES200 | 2 joints | 2 joints | C3 | Jeu plus grand que que le jeu normal | Roulement à insert pour palier auto aligneur | Acier | Cage en acier | Cylindrique | ISO 2264 | Bague excentrique | Non | 15,200 | 25,700 | |
Roulement insert pour palier auto aligneur CES209-27
Référence web : D250-H910699
|
42,86 | 85,00 | Métrique | 43,7 | 19,00 | CES200 | 2 joints | 2 joints | C3 | Jeu plus grand que que le jeu normal | Roulement à insert pour palier auto aligneur | Acier | Cage en acier | Cylindrique | ISO 2264 | Bague excentrique | Non | 20,800 | 31,850 | |
Roulement insert pour palier auto aligneur CUC204-12
Référence web : D250-B284699
|
19,05 | 47,00 | Métrique | 31 | 17,00 | CUC200 | 2 joints | 2 joints | C3 | Jeu plus grand que que le jeu normal | Roulement à insert pour palier auto aligneur | Acier | Cage en acier | Cylindrique | ISO 2264 | Vis | Non | 6,650 | 12,800 | |
Roulement insert pour palier auto aligneur CUC210-31
Référence web : D250-A457956
Référence : C2404200040 |
49,21 | 90,00 | Métrique | 51,6 | 24,00 | CUC200 | 2 joints | 2 joints | C3 | Jeu plus grand que que le jeu normal | Roulement à insert pour palier auto aligneur | Acier | Cage en acier | Cylindrique | ISO 2264 | Vis | Non | 23,200 | 35,100 |







