LIVRAISON & |
ESPACE DE COMMANDE PERSONNALISÉ |
BESOIN D'UN CONSEIL |
PAIEMENTS SÉCURISÉS |
Porte-outils VDI DIN69880C2C3A-40x25x85 WILKE-TOOLS 37430033
Référence web : A589-H789988
Référence fabricant : 37430033
Référence fabricant : 37430033
Porte-outils VDI DIN69880C2C3A-40x25x85
Afin de pouvoir commander, vous devez vous connecter ou créer un compte.
Se connecter pour commander
Description
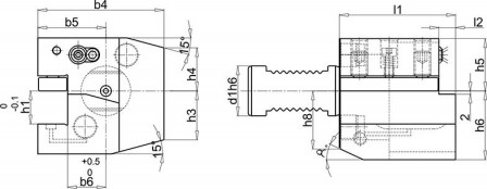
Forme C2A à gauche, court / forme C3A À L’ENVERS à droite, court, avec arrosage centralModèle : porte-outils axial à gauche. Avec double denture. La queue et la surface d’appui sont trempées et polies, avec alésage d’alimentation en réfrigérant de type AQUA-G® pour outils avec arrosage central, à denture simple, raccordement pour arrosage externe G1/8", étanche à l’agent réfrigérant jusqu’à 80 bars. Applications : pour les porte-outils avec arrosage central, réduction possible de h1 au prochain porte-outils pour plaquettes réversibles plus petit avec plaquette d’appui.
Détails techniques
| VDI | 40 |
| l2 (mm) | 85 |
| H1 (mm) | 25 |
| b1 (mm) | 85 |
| b2 (mm) | 85 |
| b3 (mm) | 21 |
| H5 (mm) | 32,5 |
| H6 (mm) | 48 |
| l1 (mm) | 85 |
| l3 (mm) | 30 |
Produits similaires








